Стальной котел Protherm Бизон NО 70 - 3500

О котлах Protherm
Protherm Бизон NО 70-3500
Котел большой мощности Описание
  • Стационарный отопительный котел мощностью от 70 до 3500 кВт
  • Стальной котел, предназначенный для работы с вентиляторной горелкой на жидком топливе и природном газе
  • Двухходовой газоход с реверсивным пламенем
  • Высокий КПД 92% и низкий уровень выбросов вредный веществ
  • Отвод продуктов сгорания в дымоход

Возможности установки

  • Стальной отопительный котел с одно- или двухступенчатой вентиляторной горелкой для режима эксплуатации с изменением температуры котла - ручной способ управления (как вариант при неисправности наружного регулятора)
  • Устанавливается на ровную строительную основу (пол) либо специальные металлические конструкции
  • Возможность каскадной установки для комплектации котельных
  • Возможность управления работой котла эквитермическим регулятором и наружным каскадным регулятором
  • Предназначенный для работы с системами с принудительной циркуляцией, которые укомплектованы соответствующей запорной арматурой, циркуляционным насосом, контрольно-измерительными приборами и элементами безопасности системы отопления
  • Поставка котлов осуществляется с фланцем соединения горелки без отверстий. В качестве аксессуара могут быть предложены фланцы с отверстиями для горелки отдельных производителей для котлов мощностью выше 970 кВт, при заблаговременной подаче спецификации горелки
  • Используется для отопления (а в комплекте с бойлером, также и для ГВС) с принудительной циркуляцией

Функции

  • Два встроенных термостата температуры, предназначенных для работы с двухступенчатыми горелками
  • Отображение температуры воды в системе отопления на панели котла
  • Аварийный датчик температуры (перегрева) котла
  • Термостат запуска циркуляции - для защиты от образования конденсата
  • Для улучшения процесса передачи тепла и увеличения КПД используются турбулизаторы, которые размещаются в дымоотводных каналах камеры сгорания
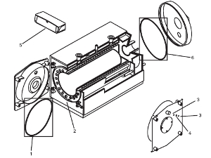
Схема котла Функциональная схема котла
  1. Прокладка 16х16
  2. Турбулизатор 36х500
  3. Прокладка 30х22х1,5
  4. Стекло
  5. Панель управления - в сборе
  6. Прокладка 16х16
Внимание!
Для длительной и надежной работы, для предотвращения образования конденсата, обязательным условием является поддержание температуры котла не ниже 60°С при помощи контура котла с циркуляционным насосом с ограничением температуры входной воды.
При выборе вентиляторных горелок необходимо придерживаться рекомендаций, приведенных в соответствующей технической литературе Protherm и технической литературе производителя горелок.

Технические характеристики

Тип котла Полезная мощность Мин. мощность Мощность топки КПД - 100% мощность Потери давления ∆Р по дыму Потери давления ∆Р по воде (∆t=12°С) Макс. давление Объем воды Вес
кВт кВт кВт % мбар мбар бар л кг
NO 70 70 35 76 92.11 0.8 9 5 105 216
NO 80 80 40 87 91.95 1.0 9 5 105 216
NO 90 90 45 98 91.84 0.8 10 5 123 258
NO 100 100 50 109 91.74 1.0 12 5 123 258
NO 120 120 60 131 91.60 1.1 13 5 123 258
NO 150 150 75 163 92.02 1.2 14 5 172 346
NO 200 200 100 218 91.74 1.9 15 5 172 346
NO 250 250 125 272 91.91 2.0 15 5 220 431
NO 300 300 150 325 92.31 2.0 16 5 300 475
NO 350 350 175 380 92.11 2.9 18 5 356 542
NO 420 400 200 434 92.17 4.1 20 5 360 584
NO 510 500 250 542 92.25 4.2 22 5 540 853
NO 630 620 310 672 92.26 6.4 27 5 645 963
NO 750 750 375 813 92.25 5.2 25 5 855 1205
NO 870 850 425 921 92.29 7.2 27 5 855 1205
NO 970 950 475 1106 92.20 5.2 32 5 950 1417
NO 1030 1020 510 1106 92.22 4.0 26 5 1200 1843
NO 1200 1200 600 1301 92.24 5.5 30 5 1200 1843
NO 1300 1300 650 1409 92.26 6.5 32 5 1200 1843
NO 1400 1400 700 1517 92.28 6.0 28 5 1500 2600
NO 1600 1600 800 1733 92.33 6.5 32 5 1650 2600
NO 1800 1800 900 1950 92.31 7.0 37 5 1650 2750
NO 2000 2000 1000 2167 92.29 6.0 35 5 2000 3650
NO 2400 2400 1200 2600 92.31 7.5 40 5 2300 3900
NO 3000 3000 1500 3250 92.31 8.0 49 5 3150 5200
NO 3500 3500 1750 3792 92.30 9.0 60 5 3650 5700